
直流電壓表用來測量電氣設備線路中的直流電壓信號,同時可將信號轉換成標準模擬量信號輸出,或者通過RS485通信接口使用標準的Modbus-RTU協議,與各種組態系統兼容,從而把前端采集到的直流電壓實時傳送給系統數據中心。蘇州昌辰WHA-96BDV系列直流電壓表專為光伏系統、移動電信基站、直流屏等電力監控而設計的,具有高精度,性能穩定等優點。
典型外形尺寸

外型尺寸:96mm×48mm×110mm(長×寬×深)
安裝方式:嵌入式安裝
最小安裝深度:102mm
開口尺寸:92mm×45mm
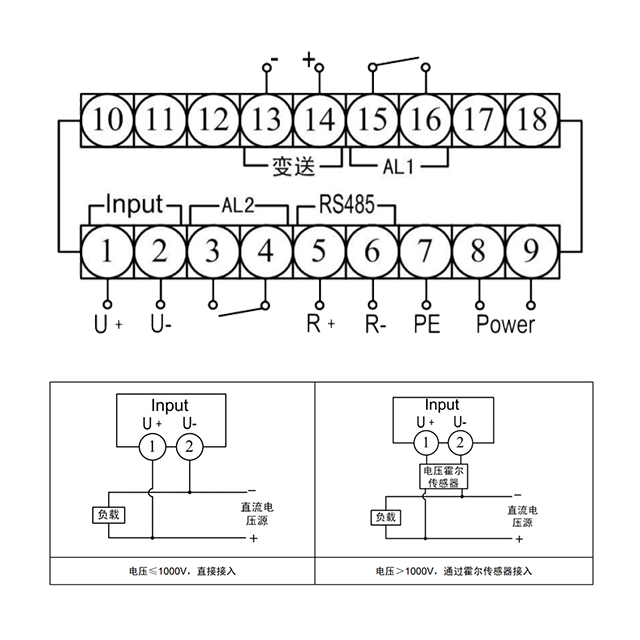
直流電壓表典型端子和電壓輸入典型接線圖

昌辰官方微信
版權由蘇州昌辰儀表有限公司所有
蘇ICP備16036632號-1
隔離器、液位變送器、電流變送器、壓力變送器、信號變送器、功率變送器、溫濕度變送器、溫度巡檢儀、流量積算儀、無紙記錄儀、多功能電力儀表、多功能電表、數據采集模塊